YZS - 102 seriesDouble needle gaugeMainly applied to locomotive vehicle hydraulic system used to measure the dacron or storage cylinder pressure, can also be used for copper alloy soldering tin lead alloy non-corrosive, non-crystalline and solidification of the medium pressure measurement.Can simultaneously measure both the same or different (general should not be greater than the difference between the two scale 1/3) limits on the scope of the pressure.
Second, the working principle:
YZS series - 102 double needle gauge by two independent measuring systems and indicating device, etc.
YZS series - 102 double needle gauge working principle is based on the elastic element (bourdon tube) in measuring system of elastic deformation.In under the pressure of measured medium, forcing the two spring tube ends respectively have the corresponding displacement, with the aid of tie rod by means of this wheel drive gear transmission and amplification, fixed on the shaft by red, black pointer will be two measured values are indicated on the dial out.
Three, the main features:
1, stable performance, high measurement precision, response speed faster.
2, measuring the total pressure, including gas and steam pressure.
3, the results of the measurement has nothing to do with the gas species, composition and properties.
4, in the process of the pressure, suction and deflated pressure gauge itself is very small, will not affect the measured pressure.
5, no high temperature parts, won't make the oil vapor.
6, if choose corrosion resistant materials, can measure the corrosive gas pressure.
7, firm structure, and sealing and makes the pipes easier to install.
8, easy operation, do not need to adjust, but need to check on a regular basis.
Four, the technical parameters:
1, the precision level: 1.5;
2, measuring range: 0 ~ 1000;1200 *;1600;2500 kpa (for special specifications of non-standard *);
3, environmental conditions of use: 5 ~ 60 ℃, relative humidity is not more than 80%;
4, temperature effects: no more than 0.4% / 10 ℃ (using the temperature deviation from 20 + / - 5 ℃);
5, weight: 0.7 Kg.
Five, the use matters needing attention:
1, when using the environment temperature for - 40 ~ 70 ℃, relative humidity is not more than 80%, such as deviation from normal use temperature 20 ℃, the temperature must be included in the additional error.
2, must be installed vertically, and strive to maintain the same level with measuring points, such as the difference between high included in the additional error caused by the liquid column, but don't have to consider when measuring gas.When installation will watch case vent at the back of the jam, lest affect explosion-proof performance.
3, when using normal use of the measuring range: no more than 3/4 of the measurement limit under static pressure, under the volatility should not be more than two-thirds of the measurement limit.In the above two kinds of low pressure situation under large pressure gauge measuring zui should not less than a third of the lower limit, vacuum parts all use measurement of a vacuum.
4, when the pressure gauge when using a pointer failure or loose internal parts, such as not work when a failure should be repair, or maintenance.
Six, specifications:
model  | Precision grade  | Using the environment conditions  | The temperature influence  | Measuring range (Kpa)  | 
YZS-102  | 1.5  | 5 ~ 60 ℃, relative humidity is not greater than 80%  | When using temperature deviations from 20 + / - 5 ℃, the temperature 10 ℃ additional error is not more than 0.4%  | 0 ~ 1000 0 ~ 1200  | 
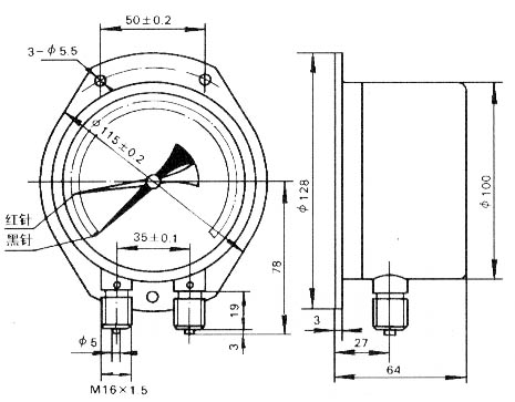
Seven, appearance size (unit: mm) :

Eight, design selection and ordering information:
1, when ordering please indicate the type, name, measuring range, joint thread size, precision grade.
2, if you have special requirements, when ordering, please specify.
After-sales service commitment:
1, our company sold by liquid pressure gauge series product appeared quality problem within 12 months, responsible for free maintenance.
2, the warranty period, any quality problems such as the products of our company, my company is responsible for free repair or replacement.
3, the warranty period, such as user improper use, damaged products, my company is responsible for the maintenance, charge damage parts cost.
4, after the warranty period appear quality problem, my company is responsible for the maintenance, charge damage parts cost.
5, such as user need to my company site services, to users in the province I company service personnel to reach the site within 12 hours, fujian association of foreign languages and user reach the site within 48 hours.